新得利(中国)
欢迎访问本网站!
网上服务大厅
新得利(中国)
新得利(中国)
实验室概况
实验室简介
布局规划
共建单位
联系我们
组织组织
组织架构
理事会
学术咨询委员会
实验室领导
人才队伍
队伍简介
科研团队
人才招聘
科学研究
研究方向
期刊速递
平台建设
研讨合作
学术讲座
课题研讨
共建合作
新闻资讯
新闻动态
科研进展
共建单位资讯
通知公告
工作通知
公示公告
党建工作
三会一课
党员活动
运行管理
招标采购
制度文件
科研信息
测试中心
测试中心介绍
测试中心联系方式
显微分析平台电镜中心
能谱波谱分析平台
光谱分析平台
热分析与化工安全风险评估平台
基础性能分析平台
色谱质谱分析平台
电子化学品测试平台
公示公告
当前位置:
新得利(中国)
>
通知公告
>
公示公告
二级菜单
工作通知
公示公告
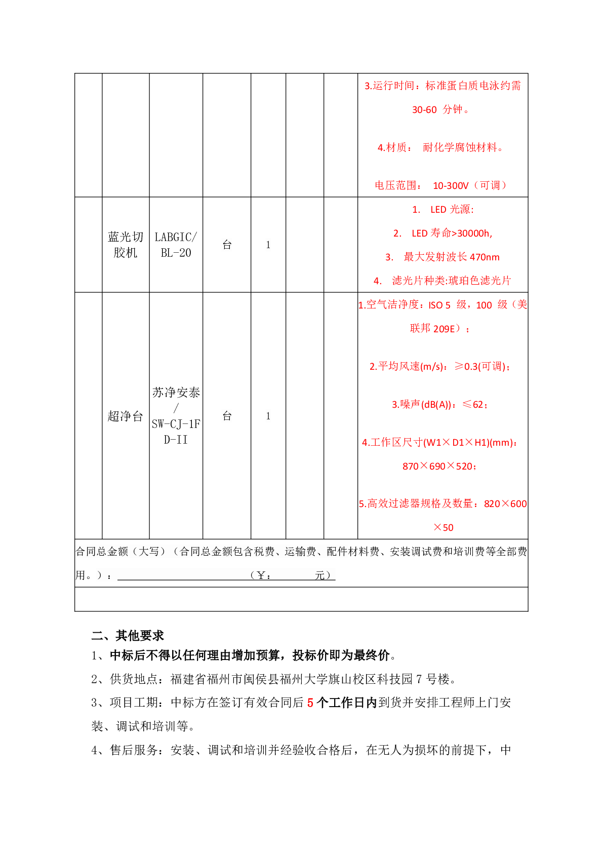
新得利(中国)微型高速离心机等小设备一批询价通知
发布时间:2025-12-02 信息来源:
操作>>